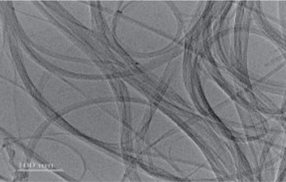
Low purity SWCNT / TXLP
| Parameter | Unit | Specification | Test Method |
|---|---|---|---|
| Appearance | / | Black powder | Visual inspection |
| SWCNT Content | wt% | > 80 | TGA |
| SWCNT Length | µm | > 100 | AFM |
| Specific Surface Area | m²/g | 300–700 | Quantachrome |
| SWCNT Diameter | nm | 1.6 ± 0.5 | Optical absorption: ISO/TS 10868:2017(E) |
| G/D Ratio | / | > 50 | Raman (532 nm) |
| Metal Impurities (Cr/Cu/Fe/Ni/Zn) | % | < 15 | Ash method |
| Moisture Content | % | < 5 | DHS20 Moisture Analyzer |
High purity SWCNT / TXHP
| Parameter | Unit | Specification | Test Method |
|---|---|---|---|
| Appearance | / | Black powder | Visual inspection |
| SWCNT Content | wt% | 99 ± 0.5 | TGA |
| SWCNT Length | µm | > 100 | AFM |
| Specific Surface Area | m²/g | 600-1000 | Quantachrome |
| SWCNT Diameter | nm | 1.6 ± 0.5 | Optical absorption: ISO/TS 10868:2017(E) |
| G/D Ratio | / | > 50 | Raman (532 nm) |
| Metal Impurities (Cr/Cu/Fe/Ni/Zn) | ppm | <350 / <20 / <5000 / <350 / <20 | Ash method |
| Moisture Content | % | < 5 | DHS20 Moisture Analyzer |
| Category | Product | SWCNT Content | G/D Ratio | Length / Diameter |
|---|---|---|---|---|
| CLASS A POWDER | Low-purity TXLP | >80 wt% | >50 | >100 µm / 1.6±0.5 nm |
| High-purity TXHP | 99±0.5 wt% | >50 | >100 µm / 1.6±0.5 nm | |
| CLASS B POWDER | TXHP-B02 | >20 wt% | >40 | 20-500 µm / 1.6-4 nm |
| TXHP-B05 | >50 wt% | >40 | 20-500 µm / 1.6-4 nm | |
| TXHP-B07 | >70 wt% | >50 | 20-500 µm / 1.6-4 nm |
| Category | Product | SWCNT Content | Dispersing Agent | Primary Solvent |
|---|---|---|---|---|
| WATER-BASED SLURRY | TXBH-02 | 0.2 wt% | 0.3 wt% | DI Water 99.5 wt% |
| TXBH-04 | 0.4 wt% | 0.6 wt% | DI Water 99.0 wt% | |
| TXBH-08 | 0.8 wt% | 0.8 wt% | DI Water 98.4 wt% | |
| TXBH-1 | 1.0 wt% | 0.8 wt% | DI Water 98.2 wt% | |
| OIL-BASED SLURRY | TXBN-04/2P | 0.4 wt% | 2.0 wt% | NMP 97.6 wt% |
| TXBN-04/1P | 0.4 wt% | 1.0 wt% | NMP 98.6 wt% | |
| TXBN-04/04P | 0.4 wt% | 0.4 wt% | NMP 99.2 wt% |