product
product
product
product
product
product
product
product
product
product
product

Low purity SWCNT / TXLP

Parameter Unit Specification Test Method
Appearance / Black powder Visual inspection
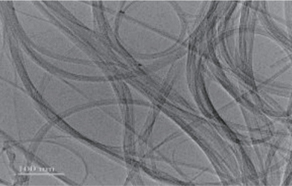
SWCNT Content wt% > 80 TGA
SWCNT Length µm > 100 AFM
Specific Surface Area m²/g 300–700 Quantachrome
SWCNT Diameter nm 1.6 ± 0.5 Optical absorption: ISO/TS 10868:2017(E)
G/D Ratio / > 50 Raman (532 nm)
Metal Impurities (Cr/Cu/Fe/Ni/Zn) % < 15 Ash method
Moisture Content % < 5 DHS20 Moisture Analyzer

High purity SWCNT / TXHP

Parameter Unit Specification Test Method
Appearance / Black powder Visual inspection
SWCNT Content wt% 99 ± 0.5 TGA
SWCNT Length µm > 100 AFM
Specific Surface Area m²/g 600-1000 Quantachrome
SWCNT Diameter nm 1.6 ± 0.5 Optical absorption: ISO/TS 10868:2017(E)
G/D Ratio / > 50 Raman (532 nm)
Metal Impurities (Cr/Cu/Fe/Ni/Zn) ppm <350 / <20 / <5000 / <350 / <20 Ash method
Moisture Content % < 5 DHS20 Moisture Analyzer
Category Product SWCNT Content G/D Ratio Length / Diameter
CLASS A POWDER Low-purity TXLP >80 wt% >50 >100 µm / 1.6±0.5 nm
High-purity TXHP 99±0.5 wt% >50 >100 µm / 1.6±0.5 nm
CLASS B POWDER TXHP-B02 >20 wt% >40 20-500 µm / 1.6-4 nm
TXHP-B05 >50 wt% >40 20-500 µm / 1.6-4 nm
TXHP-B07 >70 wt% >50 20-500 µm / 1.6-4 nm
Category Product SWCNT Content Dispersing Agent Primary Solvent
WATER-BASED SLURRY TXBH-02 0.2 wt% 0.3 wt% DI Water 99.5 wt%
TXBH-04 0.4 wt% 0.6 wt% DI Water 99.0 wt%
TXBH-08 0.8 wt% 0.8 wt% DI Water 98.4 wt%
TXBH-1 1.0 wt% 0.8 wt% DI Water 98.2 wt%
OIL-BASED SLURRY TXBN-04/2P 0.4 wt% 2.0 wt% NMP 97.6 wt%
TXBN-04/1P 0.4 wt% 1.0 wt% NMP 98.6 wt%
TXBN-04/04P 0.4 wt% 0.4 wt% NMP 99.2 wt%